|
|
| 300ZLD系列轴流泵工作性能表 返回产品目录 |

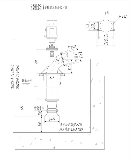
300ZLD安装图-Model |
流量 Q |
扬程H
(m) |
转速 n
(r/min) |
功率 N |
效率
η
% |
叶轮直径 D(mm) |
产品样式 |
m3/h |
l/s |
轴功率 |
配用功率及电机 |
751
726
643 |
209
202
179 |
2.0
2.4
3.3
|
1460 |
5.2
6.0
7.5 |
7.5kw
Y132M-4 |
76.9
78.8
76.9 |
260 |

|
| 备注:当 H > 3.3 m 时,配用 KWY160 - 4 电机 |
300ZLD-5.5型轴流泵工作性能表
流量 Q |
扬程H
(m) |
转速 n
(r/min) |
功率 N |
效率
η
% |
叶轮直径 D(mm) |
产品样式 |
m3/h |
l/s |
轴功率 |
配用功率及电机 |
932
849
758 |
259
236
211 |
4.3
5.6
6.7
|
1460 |
14.4
16.2
18.4 |
18.5kw
Y180M-4 |
75.4
79.8
75.4 |
260 |
 |
|