设为首页
  收藏本站
  联系我们
公司首页 公司简介 产品展示 公司荣誉 客户留言 联系我们
轴流泵
ZLDB单基础轴流泵
启闭机
铸铁闸门
HW型混流泵
排水管
XJ01自耦减压起动柜
JSL型立式电机
PGL1/2型低压配电屏
产品概况   结构说明   产品使用   故障排除
350ZLB系列轴流泵工作性能表    返回产品目录


350ZLB基础外形安装图dwg-Model


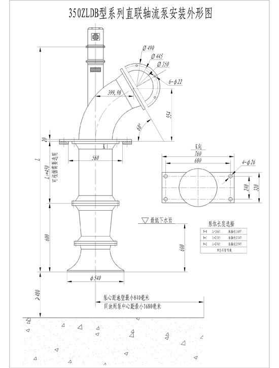
350ZLB型系列直联轴流泵安装处形图wg-Model

350ZLB-4型轴流泵工作性能参数表
(n=1470r/min)

叶片安装角度 流量 Q 扬程 H(m) 转速 n 功率 N(千瓦) 效率 叶轮直径D(mm) 样式
m3/h L/S (r/min) 轴功率 配用电机及功率 η
%
 
 


 
+4° 1256
1368
1433
349
380
390
5.8
4.6
3.8
1470 24.9
20.8
18.8
30
Y200L-4
79.8
81.9
79.8
300
+2° 1241
1278
1364
317
355
379
6.1
4.6
3.5
1470 23.7
19.3
16.4
30
Y200L-4
79.8
82.3
79.8
300
1062
1200
1274
295
335
354
6.0
4.3
3.4
1470 21.6
17.4
14.6
22
Y180L-4
79.8
81.8
79.8
300
-2° 990
1094
1177
275
304
327
5.8
4.5
3.4
1470 19.6
16.4
13.5
22
Y180L-4
79.8
81.8
79.8
300
-4° 932
1022
1006
259
284
296
5.4
4.2
3.6
1470 17.3
14.5
13.2
22
Y180L-4
79.8
80.9
79.8
300
 
350ZLB-8型轴流泵工作性能参数表
(n=1470r/min)
叶片安装角度 流量 Q 扬程 H(m) 转速 n 功率 N(千瓦) 效率 叶轮直径D(mm) 样式
m3/h L/S (r/min) 轴功率 配用电机及功率 η
%
 


1300
1462
1616
361
406
449
9.5
8.1
6.0
1470 45.4
39.7
34.7
45
Y200M-4
76.5
80.8
76.5
300
-2° 1224
1393
1537
340
387
327
9.2
7.7
5.8
1470 40.1
36.0
31.7
45
Y200M-4
76.5
81.5
76.5
300
-4° 1174
1314
1474
326
365
401
9.0
7.6
5.7
1470 37.7
33.4
29.5
45
Y180M-4
76.5
81.0
76.5
300
-6° 1105
1231
1332
307
342
370
8.8
7.4
6.0
1470 34.6
30.9
28.4
37
Y180S-4
76.5
80.0
76.5
300

地址:山东省济宁市鱼台县工业路西云长路北 电话:0537-6217327 传真:6216077 邮编:272300
Copyright© 2008 山东省鱼台惠龙水泵有限公司(原鱼台水泵总厂) All rights reserved.